Home, zpět na úvodní stránku...   | O firmě | Stroje a příslušenství | E-shop | Bazar a půjčovna | Kontakt |

 


Chameleón
Tento stroj opravujeme a dodáváme náhradní díly. Tento stroj je možné koupit jako nový.

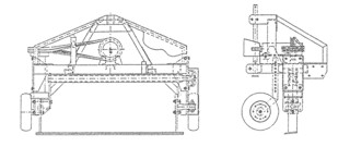
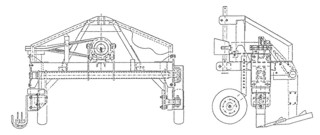
Popis a určení

Stroj pro lesní školky CHAMELEÓN je v základním provedení určen k horizontálnímu biologickému podřezávání kořenového systému semenáčků a k podorání a uvolnění sazenic při jejich sklizni. Základní provedení stroje CHAMELEÓN je možné stavebnicově doplnit o dva typy adapterů pro vertikální odřezávání kořenového systému semenáčků za účelem zvýšení jejich biologické hodnoty, adapter pro úplné vytřásání kořenového systému semenáčků a sazenic při jejich sklizni, prutový adapter pro kypření půdy a rotační plecí a kypřící adapter.

Druhy adaptérů:

podřezávací nůž
vyorávací nůž
vytřásací rošt
prutový kypřič
rotační plečka
kotoučový prořezávač
nožový prořezávač
jednořádkový sklízeč sazenic
vyorávač poloodrostků

Základní parametry

Výkonové parametry - jsou odvislé od prováděných operací. Vhodná pojezdová rychlost je od 1 km do 2,5 km za hodinu.

Technické parametry:

Hmotnost: s podřezávacím nožem 540 kg
s vyorávacím nožem  590 kg
s prutovým kypřičem  615 kg
s rotační plečkou a kypřičem  680 kg
s meziřádkovým podřezávačem  1 710 kg
s meziřádkovým podřezávačem  2 690 kg
s vytřásacím roštem  660 kg
Rozměry: délka podle použitého adapteru 1 080 až 2 800 mm
šířka  2 080 mm
výška  1 500 mm

Kliknutím obrázek zvětšíte Kliknutím obrázek zvětšíte Kliknutím obrázek zvětšíte Kliknutím obrázek zvětšíte

Kliknutím obrázek zvětšíte Kliknutím obrázek zvětšíte Kliknutím obrázek zvětšíte Kliknutím obrázek zvětšíte

Kliknutím obrázek zvětšíte Kliknutím obrázek zvětšíte Kliknutím obrázek zvětšíte Kliknutím obrázek zvětšíte

Kliknutím obrázek zvětšíte Kliknutím obrázek zvětšíte

Nahoru